>

>

High-Throughput Asymmetric PES Membrane for Biopharma | Filtailin® XA

News

29/01/2026

High-Throughput Asymmetric PES Membrane for Biopharma | Filtailin® XA

News

29/01/2026

Tailin Bioengineering 2025 Annual Review and Awards Ceremony

News

29/01/2026

High-Throughput Asymmetric PES Membrane for Biopharma | Filtailin® XA

News

14/01/2026

Filtailin® MCE 0.45μm Membrane: Empowering Bio-pharmaceutical R&D and Production

News

18/12/2025

A New Chapter in Advanced Materials: Tailin Celebrates Groundbreaking of Strategic Production Base

PES Membrane, filtration membrane

Filtailin® XA Series PES membrane from Tailin is engineered for biopharma filtration, combining an hourglass asymmetric structure with high throughput, low protein adsorption, and reliable performance under repeated 121 °C steam sterilization.

Polyethersulfone (PES) is a high-performance polymer material with a high glass transition temperature (225℃). Microporous PES filtration membranes made of PES exhibit excellent heat resistance, mechanical strength, and hemocompatibility, making them widely used in the electronics industry, food & beverage, healthcare, and other fields.

Different industries have distinct requirements for the pore structure of PES membranes.

These membranes are categorized into symmetric and asymmetric structures. Asymmetric membranes are further classified based on their pore size gradients: standard asymmetric (approx. 1:10 ratio), highly asymmetric (1:10 to 1:100+), and the specialized “hourglass” asymmetric structure.

For instance, the electronics and F&B sectors prioritize high dirt-holding capacity, favoring highly asymmetric membranes. In contrast, the pharmaceutical industry demands a critical balance between process safety and high throughput, making the “hourglass” asymmetric structure the ideal solution.

After years of R&D, the team at Tailin has successfully developed the XA Series PES Membrane with an “hourglass-shaped” asymmetric structure, following the launch of the “V-shaped” highly asymmetric PES membrane.

PES Membrane, filtration membrane
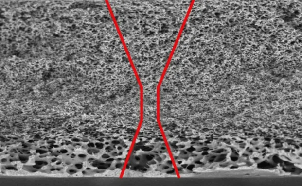
Hourglass-shaped Asymmetric PES Membrane
PES Membrane, filtration membrane
V-shaped Highly Asymmetric PES Membrane

The XA Series utilizes an hourglass pore design to maximize integrity and safety during processing and filtration. By optimizing the balance between selectivity and flux, the XA Series is specifically engineered for the rigorous demands of biopharmaceutical and chemical pharmaceutical manufacturing.

PES Membrane, filtration membrane

Features

  • Robust Structural Skeleton: The dense layer (separation layer) is located in the middle of the membrane, minimizing the risk of processing damage.
  • Superior Uniformity: High pore size uniformity and narrow pore size distribution.
  • High Performance: High porosity and high dirt-holding capacity.
  • Ultra-Pure: Low extractables and low protein adsorption.
  • Broad Compatibility: Fully compatible with Steam-in-Place (SIP), EO, and Gamma sterilization.

Specifications

PES Membrane, filtration membrane

 

SEM Microstructure Comparison

PES Membrane, filtration membrane

SEM characterization results show that the XA Series PES Membrane features higher cross-sectional porosity and a superior surface opening rate (surface porosity) compared with Brand A.

Process Fluid Filtration

Under a constant pressure of 0.1MPa, the filterability of the XA Series PES Membrane and Brand A (same pore size specification) was tested with tap water (same batch) and jasmine honey tea.

PES Membrane, filtration membrane

The results demonstrate that, thanks to its unique pore geometry, the XA Series PES membrane delivers a significantly higher total throughput compared to Brand A.

Steam Sterilization Resistance

Resistance to steam sterilization was evaluated for both the membrane discs and the assembled pleated cartridges under offline conditions at 121°C for 30 minutes per cycle.

PES Membrane, filtration membrane

Summary

Test data shows that after 100 sterilization cycles, both the membrane and cartridge bubble points remained stable without significant deviation. This confirms that the XA Series PES membrane exhibits excellent durability and thermal stability during repeated steam sterilization.

The XA Series PES membrane delivers exceptional all-around performance, ensuring both process safety and high filtration efficiency. It provides biopharmaceutical and chemical pharmaceutical manufacturers with a more versatile and reliable filtration membrane solution for their critical filtration needs.

For more information or to explore partnership opportunities, please visit our website or contact us at phone: +86 571 8658 9087, email: marketing@tailingood.com. Stay connected with Tailin through our social media channels on Facebook, YouTube, and Instagram to witness our ongoing journey toward excellence and innovation.

Read Our One More Blog: Filtailin® MCE 0.45μm Membrane: Empowering Bio-pharmaceutical R&D and Production

Previous
Tailin Bioengineering 2025 Annual Review and Awards Ceremony
Next
Filtailin® MCE 0.45μm Membrane: Empowering Bio-pharmaceutical R&D and Production

EN

CN

Reserve Event

Event:

Date and time:

30 June - 2 July 2026 09:00am - 18:00pm

Add:

KoelnMesse Halls 7+8, Cologne, Germany

Booth:

Hall 7, N21

Reservation Form

Reserve Event

Event:

Date and time:

16-18 June 2026 09:00am - 18:00pm

Add:

Shanghai New International Expo Center, Shanghai, China

Booth:

N3B56

Reservation Form

Reserve Event

Event:

Date and time:

21-23 April 2026 09:00am - 17:00pm

Add:

Algiers exhibition center – SAFEX (Central Hall)

Booth:

B04 (224)

Reservation Form